
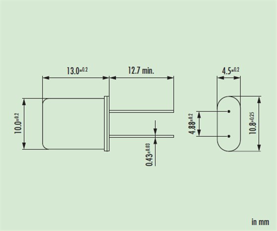
Jauch晶振,插件石英晶振,HC49/U晶振,晶振也能正常工作,具有稳定的起振特性,高耐热性,耐热循环性和耐振性等的高可靠性能,由于在49/S形晶体谐振器的底部装了树脂底座,就可作为产品电气特性和高可靠性无受损的表面贴片型晶体谐振器使用,满足无铅焊接的回流温度曲线要求.
石英晶振的切割设计:用不同角度对晶振的石英晶棒进行切割,可获得不同特性的石英晶片,通常我们把晶振的石英晶片对晶棒坐标轴某种方位(角度)的切割称为石英晶片的切型。不同切型的石英晶片,因其弹性性质,压电性质,温度性质不同,其电特性也各异,石英晶振目前主要使用的有 AT 切、BT 切。其它切型还有 CT、DT、GT、NT 等
|
Jauch晶振规格 |
单位 |
HC49/U晶振频率范围 |
石英晶振基本条件 |
|
标准频率 |
f_nom |
1.8432MHZ~250.0MHZ |
标准频率 |
|
储存温度 |
T_stg |
-40°C ~ +125°C |
裸存 |
|
工作温度 |
T_use |
-40°C ~ +85°C |
标准温度 |
|
激励功率 |
DL |
200μW Max. |
推荐:1μW ~ 100μW |
|
频率公差 |
f_— l |
±50 × 10-6(标准), |
+25°C 对于超出标准的规格说明,请联系我们以便获取相关的信息, http://www.guanjiedz.com |
|
频率温度特征 |
f_tem |
±30 × 10-6/-20°C ~ +70°C |
超出标准的规格请联系我们. |
|
负载电容 |
CL |
8pF ,10PF,12PF,20PF |
不同负载电容要求,请联系我们. |
|
串联电阻(ESR) |
R1 |
如下表所示 |
-40°C — +85°C,DL = 100μW |
|
频率老化 |
f_age |
±5 × 10-6/ year Max. |
+25°C,第一年 |


如果由频率计数器测量的频率比目标频率高,要增加石英晶振的电容(CL,或Cd以及C 8)的值,以降低频率到目标频率,反之亦然。请检查波形幅度是否改善或没有经过我们调整频率。如果它的改善,这表示该电路的原始设计不是调谐到最佳共振点为晶体的情况。该晶振应正常后,谐振点的调整。如果波形幅度甚至没有提高的频率非常接近目标频率,我们可以通过以下三种方法改进:
方法1:降低产品线路外部电容(Cd和CG)的值,并通过晶体具有较低负载电容(CL)。
方法2:采用小电阻(RR)的晶体。
方法3:使用镉和CG的不等价的设计。
我们可以增加镉(XOUT)的负载电容和降低CG(辛)的负载电容以提高从辛波形幅度将在其后端电路中使用的输出。我们建议您使用上面的方法来节省成本,保证安全。请用频率计数器来测量所述晶体,以确保经调整频率仍然满足原说明书后的波形的振幅进行了改进。如果频率不符合规格,请采用晶体合适的CL值为根据您的目标频率。请采用晶振具有较低的CL如果频率比目标频率,反之亦然高得多系统不能正常工作,由于输出频率会偏差很大。Jauch晶振,插件石英晶振,HC49/U晶振

Jauch晶振公司的各项能源、资源消耗指标和排放指标达到国内领先、国际先进水平.
实施创新战略,提高自主创新能力,确保公司可持续发展.实施节约战略,提高建设节约环保型企业能力,确保实现节能环保规划目标.
致力于环境保护,包括预防污染.在石英晶振,有源晶振,压控振荡器产品的规划到制造、运行维修等整个过程中,努力提供环保型的产品和服务.在业务活动中,努力节约资源并节省能源,致力于减少废弃物和再生资源的回收利用.在积极公开有关环境的信息的同时,通过支持环保活动,广泛地为社会作贡献.致力于保护生物多样性和可持续利用.切实运行环境管理系统PDmCA(Plan-Do-multiple Check-Act),努力提高环境性能,不断改善运用系统.
Jauch晶振,石英晶体,有源晶振在“制造、使用、有效利用、再利用”这样一个产品生命周期中,努力创造丰富的价值,给社会带来温馨和安宁,感动和惊喜,同时为减少环境影响,努力做好“防止地球变暖、有效利用资源、对化学物质进行管理”,实现与地球的和谐相处.



KDS晶振,32.768K,DMX-26晶振,DMX-26S晶振,1TJW125BJ4A602P
KDS晶振,贴片晶振,DSX211G晶振,1ZZCAA16000BB0A
KDS晶振,32.768K,DMX-26S晶振,DMX-26晶振,1TJS060FJ4A901Q
X5HGGJNINF-100.000000,高频晶振,台产泰艺晶振
X8GEBGNHNF-16.384000,无源晶振,石英晶体
XDLCZLNDMD-0.032768,32.768KHZ晶振,泰艺进口晶振
XIHEELAANF-16.000000,XI系列晶振,进口泰艺晶体
XZCBBCNANF-32.000000,石英晶体谐振器,2016谐振器
FH1600015,四脚晶振,石英晶振,无源晶振


